
|
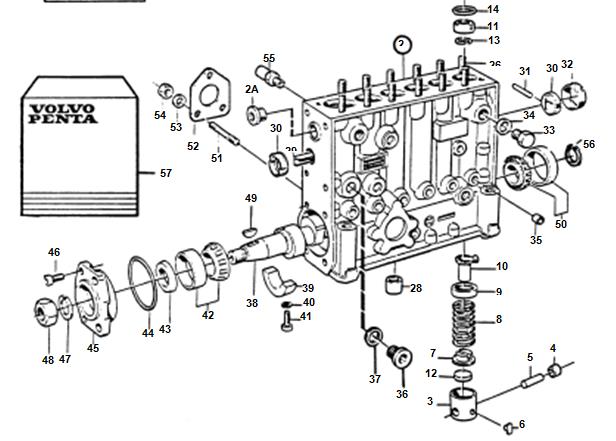
Ref 1 |
Part No. 864855 |
Qty 1 |
Description Injection pump |
Notes |
|
|
3803713 |
1 |
Injection pump, exch |
Exchange unit |
|
1A |
863476 |
1 |
Governor |
|
|
1B |
863474 |
1 |
Feed pump |
|
|
2 |
|
1 |
Pump housing |
|
|
2A |
|
1 |
Plug |
|
|
3 |
|
6 |
Push rod |
|
|
4 |
|
6 |
Bearing |
|
|
5 |
|
6 |
Shaft |
|
|
6 |
|
6 |
Locating plate |
|
|
7 |
862408 |
6 |
Spring disc |
|
|
8 |
862407 |
6 |
Compression spring |
|
|
9 |
239984 |
6 |
Spring disc |
|
|
10 |
862406 |
6 |
Sleeve |
|
|
11 |
|
6 |
Cardboard tube |
|
|
12 |
|
6 |
Pressure plate |
|
|
13 |
|
6 |
Lock ring |
|
|
14 |
862402 |
6 |
O-ring |
|
|
15
16 |
240422 |
X X X X X X X X X X X X X X X X X X X X X X X X X X X X X X X X 12 |
Adjusting washer Adjusting washer Adjusting washer Adjusting washer Adjusting washer Adjusting washer Adjusting washer Adjusting washer Adjusting washer Adjusting washer Adjusting washer Adjusting washer Adjusting washer Adjusting washer Adjusting washer Adjusting washer Adjusting washer Adjusting washer Adjusting washer Adjusting washer Adjusting washer Adjusting washer Adjusting washer Adjusting washer Adjusting washer Adjusting washer Adjusting washer Adjusting washer Adjusting washer Adjusting washer Adjusting washer Adjusting washer O-ring |
TH=0,40mm TH = 0,45mm TH = 0,50mm TH = 0,60mm TH = 0,70mm TH = 0,75mm TH = 0,80mm TH = 0,85mm TH = 0,90mm TH = 0,95mm TH = 1,00mm TH = 1,05mm TH = 1,10mm TH = 1,15mm TH = 1,20mm TH = 1,25mm TH = 1,30mm TH = 1,35mm TH = 1,40mm TH = 1,45mm TH = 1,50mm TH = 1,55mm TH = 1,60mm TH = 1,65mm TH = 1,70mm TH = 1,75mm TH=1,80mm TH = 1,90mm TH=2,00mm TH=2,10mm TH=2,15mm TH=2,20mm |
|
17 |
863498 |
6 |
Pump element |
|
|
18 |
1697951 |
6 |
Washer |
|
|
19 |
863499 |
6 |
Delivery valve |
|
|
20 |
862397 |
6 |
Compression spring |
|
|
21 |
240972 |
X |
Washer |
TH=0,20mm |
|
22 |
240973 |
X 6 |
Washer Spacer |
TH = 0,50mm |
|
23 |
862400 |
6 |
O-ring |
|
|
24 |
|
6 |
Holder |
|
|
25 |
|
12 |
Washer |
|
|
26 |
|
12 |
Stud |
|
|
27 |
|
12 |
Nut |
|
|
28 |
|
6 |
Cardboard tube |
|
|
29 |
|
1 |
Control rod |
|
|
30 |
|
2 |
Guide sleeve |
|
|
31 |
|
1 |
Lock pin |
|
|
Ref |
Part No. |
Qty |
Description |
|
Notes |
|
32 |
|
1 |
Bushing |
|
|
|
33 |
847439 |
1 |
Screw |
|
|
|
34 |
969011 |
1 |
Gasket |
|
(239897) |
|
35 |
|
6 |
Cardboard tube |
|
|
|
36 |
|
1 |
Plug |
|
|
|
37 |
240017 |
1 |
Gasket |
|
|
|
38 |
|
1 |
Camshaft |
|
|
|
39 |
|
1 |
Bearing |
|
|
|
40 |
|
2 |
Sealing ring |
|
|
|
41 |
|
2 |
Screw |
|
|
|
42 |
|
1 |
Bearing |
|
|
|
43 |
3825543 |
1 |
Sealing ring |
|
(862422) |
|
44 |
862423 |
1 |
O-ring |
|
|
|
45 |
|
1 |
Bearing cover |
|
|
|
46 |
|
4 |
Screw |
|
|
|
47 |
941914 |
1 |
Spring washer |
|
|
|
48 |
955807 |
1 |
Nut |
|
|
|
49 |
35168 |
1 |
Key |
|
|
|
50 |
|
1 |
Bearing |
|
|
|
51 |
|
3 |
Stud |
|
|
|
52 |
863370 |
1 |
Gasket |
|
(6232208) |
|
53 |
941906 |
3 |
Spring washer |
|
|
|
54 |
940197 |
3 |
Nut |
|
|
|
55 |
479775 |
1 |
Overflow valve |
|
(35096). M14 |
|
|
3825154 |
1 |
Overflow valve |
|
(35096). M16 |
|
56 |
|
1 |
Lock ring |
|
|
|
57 |
862425 |
1 |
Small parts kit |
|
|
1零件號。
864855數量
1說明
噴油泵注意事項
3803713 1注射泵,不包括交換裝置
1A 863476 1調速器
1B 863474 1給水泵
2 1泵殼
2A 1插頭
3 6推桿
4 6軸承
5 6軸
6 6定位板
7 862408 6彈簧盤
8 862407 6壓縮彈簧
9 239984 6彈簧盤
10 862406 6套筒
11 6紙板管
12 6壓板
13 6鎖環
14 862402 6 O形圈
17 863498 6泵元件
18 1697951 6墊圈
19 863499 6輸送閥
20 862397 6壓縮彈簧
21 240972 X墊圈TH=0.20mm
22 40973 X 6墊圈墊片TH=0.50mm
23 862400 6 O形圈
24 6支架
25 12墊圈
26 12雙頭螺栓
27 12螺母
28 6紙板管
29 1控制棒
30 2導套
31 1鎖銷
參考零件號數量說明注釋
32 1套管
33 847439 1個螺釘
34 969011墊圈(239897)
35 6紙板管
36 1插頭
37 240017 1墊片
38 1凸輪軸
39 1軸承
40 2密封圈
41 2個螺釘
42 1軸承
43 3825543 1密封圈(862422)
44 862423 1個O形圈
45 1軸承蓋
46 4螺釘
47 941914 1彈簧墊圈
48 955807 1個螺母
49 35168 1把鑰匙
50 1軸承
51 3螺柱
52 863370 1墊片(6232208)
53 941906 3彈簧墊圈
54 940197 3螺母
55 479775 1溢流閥(35096)。14米
3825154 1溢流閥(35096)。M16米
56 1鎖環
57 862425 1小零件套件