SY210C8M挖掘機電氣系統原理、基本構造、操作說明、故障分析


一:概述
二:系統組成及原理
三:SY210C8M挖機電氣操作說明書
四:電氣系統技術保養
五: 電氣系統常見故障分析與排除
六:油門機構標定手法
七:標定器使用手法
SY210C8M挖掘機電氣系統原理、基本構造、操作說明、故障分析
一 概述
挖掘機基本上都以柴油機作為動力,SY210C8M采用三菱機械式6DT-24發動機為動力。詳細資料可參考液壓動力所資料。
目前,在中高檔汽車中普遍采用了CAN總線技術,CAN總線技術代表歐洲最先進的技術水平,可以簡化整車線束,提高整車電氣線路的可靠性和安全性,提高維修性,具有數據共享和配置靈活的優點。CAN總線技術為汽車內部各種復雜的電子設備、控制器、測量儀器等提供了統一數據交換渠道。
國內開發的挖掘機基本上都以普通機械式供油系統柴油機為動力,通過在發動機上安裝檢測元件實現對發動機的監控。
SY210C8M是國內首家運用正流量液壓控制技術的挖掘機。正流量控制系統優勢明顯:工作效率提高8%,能耗降低10%,動作響應快,操作舒適,柔和性和平穩性有大幅提高。
SY210C8M電氣控制系統核心采用原撞川崎控制器 KC-MB-10-XX,硬件穩定性、與液壓系統的匹配性有保障。KC-MB-10、OPUS46組成SY210C8M的電液控系統,兩者采用CAN 2.0B通訊方式。
SY210C8M電控系統由KC-MB-10控制器、OPUS46顯示器、發動機電氣系統、車身電氣系統構成新型電氣--液壓控制系統。通過對發動油門位置反饋、轉速監測、功率極限調節等電控手段(ESS控制),主泵正流量調節、回轉優先比例控制、鏟斗合流比例控制等電液控制手段(HSS控制),使發動機功率與液壓泵功率實時匹配,實現主機輸出功率對外負載的計算機動態跟隨控制(CDCS),達到挖掘機外負載做業系統的最優控制,實現挖掘機動力性、經濟性的完美結合。
SY210C8M電液控系統主要是對發動機、液壓泵、多路換向閥和執行元件(液壓缸、液壓馬達)的一些溫度、壓力、速度、開關量的檢測并將有關檢測數據輸入給挖掘機的控制器KC-MB-10,控制器綜合各種測量值、設定值和OPUS46傳送來的操作信號發出相關控制信息,對發動機、液壓泵、液壓控制閥和整機進行控制。
二挖掘機電氣系統組成及原理
SY210C8M挖掘機電氣系統組成:
電源部分、發動機電氣部分、照明部分、電氣操縱機構、
空氣調節裝置、音響設備、節能控制及故障診斷報警系統等組成。
SY210C8M電氣系統總圖如下:

挖掘機電控系統功能簡介
1:控制功能:負責對發動機、液壓泵、液壓控制閥和整機的復合控制。
2:挖掘機檢測和保護功能:
通過一系列的傳感器、油壓傳感器、蜂鳴器、熔斷器和顯示屏等對 挖機的發動機、液壓系統、工作狀態進行檢測和保護。
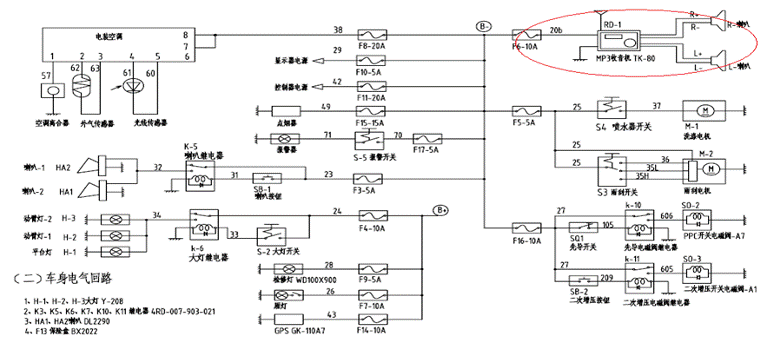
3:照明功能:主要有司機室廂燈、工作裝置作業燈及檢修燈。
4:其它功能:主要有刮雨器、噴水器、空調器和收放音機等。
電控系統各部分組成及原理介紹
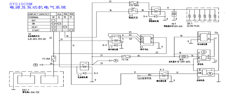
2.1 挖掘機電源部分
系統電源為直流24V電壓供電、負極搭鐵方式;
采用2節12V 120AH蓄電池串聯作發動機啟動電源;
由帶內置硅整流和電壓調節裝置的交流發電機充電,以維持蓄電池電量和穩定系統電壓;蓄電池輸出端裝設電源繼電器,由鑰匙開關控制,以增加電源系統的安全性。
1) 蓄電池:采用12V 120AH免維護型蓄電池,2組串聯。
2) 發電機:24V 50A交流發電機,由發動機自帶,內置硅整流電路及 電壓調節器,帶有頻率輸出。I為中性點電壓輸出端子,BAT為電 源輸出端子,GND為接地端子。I端子接充電報警燈,在啟動初狀 態,當發電機電壓尚未建立時I端電壓為0V,充電報警燈亮,蓄電 池正電源通過報警燈燈絲流向I端作為發電機的勵磁電流,使發電 機迅速建立起電壓并進入發電工作狀態。發電機進入發電狀態后, L端電壓達24V,充電報警燈熄滅。
3) 挖掘機電源繼電器:裝于電瓶的正極控制總電源,由鑰匙開關控制,以增加電源系統的安全性。
a)接通:把鑰匙開關打到“接通”位置以啟動電路系統,此時電源繼電器接通,系統得電。在啟動發動機之時,鑰匙開關必須是接通的。
b)斷開:把鑰匙開關打到“斷開”位置,電源繼電器斷電,以切斷電路系統。
注意:
維修電路系統和機器的其它部件時,請把鑰匙開關打到“斷開”位置或拔掉鑰匙開關以切斷蓄電池電路。
2.2 挖掘機啟動部分
2.2.1啟動設備
1)啟動電機:24V 4.5KW 起動電機三個接線柱的作用和連接如下:
a) S接線柱接啟動開關。
b) E接線柱為負極搭鐵。
c) B接線柱可接車上的用電器的正極。
2) 鑰匙開關:用于啟動發動機。
3) 安全繼電器:用于檢測啟動過程中發動機轉速控制啟動是否成功。
4) 液壓操縱:液壓操縱桿在“鎖住”位置,發動機才能啟動
2.2.2 挖掘機啟動保護原理及實現過程
SY210C8M啟動由上述控制電路獨立完成,控制器不參與啟動控制。發動機啟動達到標準轉速后,將由發電機P端控制安全繼電器,安全繼電器則斷開啟動繼電器,起動后啟動繼電器不再輸出。此時控制器完成發動機的發動, 充電報警燈熄滅。

2.3 挖掘機照明部分
為了保證夜間行車或作業安全,提高工作效率,外部照明旋轉臺工作燈、動臂工作燈均采用大功率工作燈,內部照明為駕駛室廂燈,顯示屏具有光控與溫控電路,在光線陰暗時自動打開背光,照明液晶屏,在不同的溫度下,自動調節液晶屏的灰度,以達到最佳的視覺效果。

2.4 挖掘機電氣操縱機構
包括各啟動開關、斷路開關、繼電器等電氣控制機構。

2.5 挖掘機空氣調節裝置
為了營造一個舒適的工作環境,本機采用工程機械專用工程空調,能實現制冷與制暖、風量以及溫度調節。(計劃配置為日本首鋼電裝空調)

2.6 挖掘機音響設備
采用國際先進的挖掘機專用收音機(以實物為準),配以大功率放音喇叭,能獲得震撼的收音效果。(計劃配置帶MP3功能)

2.7 挖掘機故障診斷報警裝置
故障診斷報警裝置對挖掘機的運行狀態進行監視, 一旦發生異常能及時報警,并指出故障部位,從而可及早清除事故隱患,減少維修時間,降低保養和維護費用,改善作業環境,提高作業效率。
硬件主要由KM-MB-10控制器、OPUS46顯示屏為系統核心,輔以其他檢測和保護控制元件,實現對控制對象的各種監測目的,它有如下特點:
1)顯示屏面板能防水、防塵,整個裝置抗干擾能力強,并能防震。
2)能對機器的運行情況進行連續監測,并根據要求進行報警。
3)帶工作小時計、系統時間顯示。能對其進行調整,使其與當地時間一致。
4)顯示屏多頁、分層顯示信息。可進行翻屏操作,可查閱采集的各路參數的具體數值或者各開關量的正常與否。
5)工作模式:每次只能處于一個工作模式,選定一個新的工作模式之后,原工作模式自動消除。每次重新啟動挖掘機后,功率模式重新回到S(標準)模式。
6)行走高低速:每次重新接通并啟動挖掘機后,行駛高低速選擇開關處于低速狀態,只有當按下開關后才依次在高速與低速之間轉換。
7)自動怠速功能:每次重新啟動挖掘機后,自動怠速開關處于自動怠速有效模式,只有按下自動怠速開關,自動怠速功能才能取消。
8) 挖掘機右操作面板上有兩個指示燈:
l右操作面板紅色指示燈為發動機充電指示燈,它的特性電池供電 時亮,發電機正常供電時滅;
l 右操作面板黃色指示燈為發動機預熱指示燈,通過閉合位于后面的翹板開關,并將點火開關打到ON-START之間的預熱位置,此時指示燈亮,表示開始預熱。
注意:預熱時間為人為控制,每次預熱時間不超過 15秒 !若欲詳細了解,請參看三菱發動機 本部分說明!
故障診斷報警系統框圖

報警系統各功能顯示方式、采集信號具體情況列表如下:
|
顯示 |
類別 |
輸入或輸出信號方式 |
|
方式監測 |
燃油箱油位 |
CAN總線 模擬量 |
|
發動機冷卻液溫度 |
CAN總線 模擬量 | |
|
機油壓力 |
CAN總線 模擬量 | |
|
油門旋鈕 |
CAN總線 模擬量 | |
|
壓力傳感器 |
CAN總線 模擬量 | |
|
控制器采集量 |
故障信息以故障代碼方式顯示。顯示位置在主頁面下方,同時有聲光報警提示。(由顯示器實現)
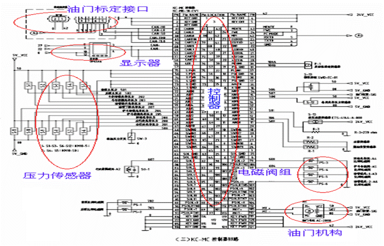
2.8 挖掘機電控制裝置
本系統由KC-MB-10控制器、OPUS46顯示、油門控制單元以及一些必要的模擬量、開關量傳感器、模式電磁閥組、開關閥等組成。通過對發動機和液壓泵系統進行綜合控制,使二者達到最佳匹配,以達到明顯的節能效果。
該裝置主要實現四種工作模式的選擇,自動怠速功能、柴油機轉速控制等功能。
各種控制指令(包括顯示屏控制指令)和檢測信號以開關量或模擬量)進入控制器后,控制器根據要求輸出控制信號給受控元件,達到控制的目的。
控制器將各種信號以CAN 2.0B通信的方式送入顯示屏。通過顯示屏實現相關控制的操作、實時顯示和報警信息提示。

2.8.1 挖掘機四種工作模式控制
SY210C8M挖掘機有四種作業模式可供選擇。可以使操作者根據作業工況不同,選擇適合的作業模式,使發動機輸出最合理的動力。
模式的選擇:通過顯示屏上的“模式”選擇按鈕實現。每次只能處于一個工作模式,選定一個新的工作模式后,原工作模式自動消除。
H 模式:即重負荷挖掘模式,發動機油門處于最大供油位置,發動機以全功率投入工作;
S 模式:即標準作業模式,液壓泵輸入功率的總和約為發動機最大功率的90%;
L模式:即普通作業模式,液壓泵輸入功率的總和約為發動機最大功率的80%。
B 模式:即輕載作業模式,液壓泵輸入總功率約為發動機最大功率的70%,適合于挖掘機的平整作業或破碎模式。
2.8.2 挖掘機柴油機轉速控制原理
本系統采用KC-MB-10控制器直接驅動油門馬達AC/2000,通過改變油門軟軸的長度來調節油門的開度,油門開度通過油門位置傳感器反饋到控制器。
油門旋鈕順時針旋動時, 即升速時,由KC-MB-10驅動油門馬達,柴油機轉速上升,達到設定的油門開度后,升速信號停止,進入轉速自動調節階段。
限位保護特性:當油門馬達位置傳感器反饋信號超過KC-MB-10控制器設置的安全范圍后,控制器將調節液壓系統工作在保護模式,現象為動作緩慢。
2.8.3 挖掘機自動怠速系統
SY210C8M挖掘機具有自動怠速功能。
當操縱桿回中位達5秒后,發動機自動進入低速運轉,從而可減小液壓系統的空流損失和發動機的磨損,起到節能和降低噪聲的作用。當扳動操縱桿重新作業時,發動機自動恢復到原來的轉速狀態。
自動怠速描述:按顯示器上的自動怠速鍵 (“小烏龜”圖象),進入自動怠速控制,若機器空載運行轉速大于1400 rpm(怠速轉速)時,為降低燃油消耗而進入自動怠速。在自動怠速時,將油門旋鈕往增速方向一檔一檔或跨檔調節,轉速均不會上升。
退出自動怠速:
a.將油門旋鈕擰回最低位置,自動怠速將解除;
調節油門旋鈕使空載轉速大于1400 rpm,一定時間后將變為自動怠速;
b.任何先導壓力動作有效,自動怠速將解除;作業中斷后3.5秒變為自動怠速;
c.用自動怠速鍵(顯示器上“小烏龜” )取消自動怠速,自動怠速立即取消。
三 SY210C8M挖機電氣操作說明書
3.1挖掘機開機
3.1.1起動前:柴油機起動前,鑰匙開關先打到“運行”檔,發動機第一次沒有順利啟動,請等15秒鐘后再啟動,連續三次啟動不成功需等待2分鐘后再啟動。如每次停機后都存在此故障,請與我們的服務工程師聯系。
3.1.2柴油機起動后:柴油機在油門檔位對應的轉速運轉;當第一次操縱啟動,直接進入默認值:模式工作為S;以后每次操縱重新啟動時,系統模式工作回到S。若在5秒內工作裝置沒有動做,則進入怠速轉速運行(1400轉/分)。
3.1.3在顯示屏上通過“模式”按鈕切換工作模式,當按住顯示屏上的模式選擇按鈕時,在顯示屏上以 “S”、“H”、“L”、“B”、“S”的順序顯示,同時進入相應工作模式,最高轉速及作業效率上就會有不同。松開按鈕時,顯示定格,同時該模式生效。
3.2挖掘機系統功能

3.2.1挖掘機自動怠速
自動怠速:
顯示屏上按鍵顯示“小烏龜”為具有“自動怠速”功能。
當液壓操縱桿回中位時間超過3.5秒。KC-MB-10自動減少發動機油門開度,使發動機在1400轉運轉,當扳動操縱桿重新作業時,KM-MB-10立即控制發動機,使它迅速恢復到設定的工作速度。起到節能和降低噪聲的作用。
顯示器按鍵顯示為“小兔子”。此時為全速狀態,發動機一直工作在油門檔位設定的轉速上。
3.2.5挖掘機發動機油門控制盤
調節發動機檔位旋鈕可以調節發動機轉速。
在每個模式下對應一個最高轉速,最高轉速的獲取:
H模式:油門檔位打到11檔時。
11檔=2200,10檔=2100
1-9檔轉速在2000-1000之間分配,每檔相差基本為100轉。
S模式:油門檔位打到11檔時。
11檔=2150,10檔=2100
1-9檔轉速在2000-1000之間分配,每檔相差基本為100轉。
L模式:油門檔位打到9檔及以上。
11、10、9檔=1950
1-8檔轉速在1800-1000之間分配,每檔相差基本為100轉
挖掘機各檔轉速檢測標準:
210C8M重點確認H、S、L、B模式下的最高轉速、AI轉速:
H模式最高轉速 2200 + 50 rpm
S模式最高轉速 2150 + 50 rpm
B模式最高轉速 2150 + 50 rpm
L模式最高轉速 1950 + 50 rpm
AI模式轉速 1400 + 50 rpm
1擋最低轉速 1000±100 rpm (或不低于1000,且不高于1200 rpm)
挖掘機各模式掉速檢測標準:
工作模式 檔位 瞬間掉速范圍(rpm) 憋壓穩定掉速范圍(rpm)
H 11-4檔 ≤ 400 ≤ 200
S 11-4檔 ≤ 400 ≤ 200
L 11-4檔 ≤ 200 ≤ 200
各模式 1-3檔 ≤ 200 ≤ 200
3.2.6挖掘機模式選擇
本系統實現四種工作模式的控制:
重負荷作業模式(H模式)
標準作業模式(S模式)
普通作業模式(L模式)
破碎作業模式(B模式)
H模式時,發動機油門處于最大供油位置,發動機以全功率投入工作;
S模式時,液壓泵輸入功率的總和約為發動機最大功率的90%;
L模式時,液壓泵輸入功率的總和約為發動機最大功率的80%;
B模式,液壓泵輸入功率的總和約為發動機最大功率的70%;
工作后每次只選一個工作模式,選定一個新的工作模式后,原工作模式自動消除。工作模式的選擇顯示屏上的“模式”按鈕控制。
3.2.7挖掘機行駛速度選擇
在顯示器上控制“高速”或“低速”行駛速度選擇。每次啟動挖掘機時,系統處于低速狀態提示“低速”。按下 “低速“按鈕系統進入高速提示“高速”。
3.2.8挖掘機二次升壓補償
按下二次增壓按鈕不會導致液壓回路的壓力升高。因為液壓未支持此部分。電氣預留此部分將線路。
3.2.9挖掘機啟動鑰匙開關
發動機起動開關在“接通”位置并且發動機在運轉時,以保持電路和液壓系統功能。
1. 斷開①:發動機起動開關鑰匙只能在發動機起動開關位于“斷開”位置時插入。同樣,發動機起動開關鑰匙也只能在發動機起動開關位于“斷開”位置時拔出。再次起動發動機前鑰匙必須先轉至“斷開”位置。轉動鑰匙至“斷開”位置以停止發動機。維修電路系統或機器的其他部件時,請把鑰匙開關打到“斷開”位置或拔掉鑰匙開關以切斷蓄電池電路。此時系統只有對室內燈、檢修燈保持供電。
2. 接通②:鑰匙從“斷開”到“接通”,系統除空調沒接通電源外其它機構都上電。而在發動機啟動后,鑰匙從“接通”到“斷開”,則是關閉發動機,請確保發動機速度在1000轉左右運轉時再關閉發動機。
3. 起動③:轉動發動機起動開關鑰匙到“起動”位置,啟動電機通電運轉以帶動發動機起動,此過程持續1-3秒。發動機起動后立即放松鑰匙。
3.2.10挖掘機液壓操縱
每次起動柴油機時,液壓操縱啟動桿在“鎖住”位置,使所有液壓操縱機構都不能操作;如在“開鎖”位置,使發動機不能起動。
當柴油機正常起動、發電機正常工作后,液壓操縱啟動桿在“鎖住”位置,柴油機速度油機速度為1000轉左右。將液壓操縱啟動桿放在“開鎖”位置,則可對挖掘機進行操作,發動機速度由發動機油門控制盤決定。如沒有作模式選擇,操縱液壓操縱機構,則直接進入默認模式(S模式)工作。
每次關機后離開駕駛室,注意將液壓操縱啟動桿放在“鎖住”位置,或關閉發動機。
3.2.11挖掘機充電指示燈(紅色):
當轉動鑰匙開關至接通位置時,該指示燈亮。鑰匙開關至起動位置后,發電機正常發電后,該指示燈會熄滅,如果該燈一直亮,則請檢查發電機是否出現故障。
3.2.12挖掘機監控及報警
本系統采用OPUS46顯示器實現對挖掘機有關操作、工況監測及報警顯示。一旦發生異常能及時報警,并指出故障部位,從而可及早清除故障隱患,減少維修時間,降低保養和維護費。
本系統能實現對挖掘機以下監控及報警功能
l 燃油箱油位、發動機冷卻液溫度以指示針儀表的形式在主畫面屏上實時顯示。
l 提供報警代碼及聲音報警。在排除故障之前不要起動發動機。
l 可查詢發動機、油門機構、主泵、主閥在工作中的各項參數。
L 上電但不起機時,若出 “41”則表示轉速傳感器正常;若啟動機器后,“41”仍然出現,則表示轉速傳感器異常。
當發動機冷卻液溫度達到98℃時,發動機冷卻液顯示將改變顏色;當發動機冷卻液溫度達到103℃時,發動機自動降低到1350rpm,直到冷卻液溫度降至正常溫度為止。
具有液壓油溫監測功能,在低/超溫時提供保護。
具有工作小時計,系統時間顯示且能對其進行調整。
具有可調整的實時時鐘,可針對不同時區設置時間。
能實時監控各輸入輸出開關點狀態,便于技術人員分析電路線束方面的好壞狀態。
能實時監控到傳感器參數值,便于技術人員分析發動機與液壓泵的匹配狀態并判斷各執行元件的正常與否狀態。
3.2.12 挖掘機預熱操作

四挖掘機電氣系統技術保養
挖掘機的電氣系統必須始終處于完好狀態,燒斷或腐蝕的保險絲和燈泡必須立即更換。
1、挖掘機蓄電池的保養
為了使蓄電池能正常的供電,必須隨時保持清潔,特別是電極和電線夾頭應定期清理。
請特別注意蓄電池上方的橡膠墊是否被磨破,如果出現損壞的情況請及時更換。
2、挖掘機更換保險絲
更換保險絲前必須先檢查各有關電路是否短路或過載。
挖掘機各保險絲規格如下:
|
代號 |
規格 |
用途 |
代號 |
規格 |
用途 |
|
F1 |
20A |
鑰匙開關保險 |
F2 |
5A |
充電指示燈保險 |
|
F3 |
5A |
喇叭保險 |
F4 |
15A |
工作燈保險 |
|
F7 |
10A |
駕駛燈保險 |
F5 |
5A |
雨刮器、清洗器保險 |
|
F9 |
5A |
檢修燈保險 |
F6 |
10A |
音響保險 |
|
F8 |
20A |
空調保險 | |||
|
F10 |
5A |
顯示器保險 | |||
|
F11 |
20A |
控制器保險 | |||
|
F15 |
15A |
點煙器保險 | |||
|
F16 |
10A |
先導電磁閥組 | |||
|
F0 |
160A |
預熱器保險 |
F17 |
5A |
報警器保險 |
特別注意事項:
在挖機上進行焊接作業時請務必遵守以下操作規程
1.斷開整車電源
2.打開工具箱蓋板,拆除蓄電池負極搭鐵線
3.進行焊接作業
4.將蓄電池負極搭鐵線固定在車身接地點,注意不要損壞蓄電池上方的橡皮墊
5.不要隨意調節油門拉線。否則將造成整車工作異常。
6.發動機預熱控制為人工手動控制。注意檢查右扶手箱上預熱允許翹板開關是否正常。若損壞,必須立即更換,否則每次啟動過程均會預熱。
五挖掘機電氣系統常見故障分析與排除
故障現象:整車無電
可能的原因: ①KB1開路。②啟動開關13號端子線未插好。③D2開路。④電源繼電器線圈線未接好。 ⑤ 電源繼電器損壞。⑥啟動開關損壞
排除辦法:①更換KB1,②插接好相應端子,③更換D2,④將線接好,⑤更換電源繼電器,⑥更換啟動開關,
故障現象:啟動馬達不工作
可能的原因:①啟動開關11號端子線未插好。②啟動開關損壞。③液壓操縱桿打開,④ K3損壞。⑤啟動馬達損壞,⑥ 電源繼電器損壞,
排除辦法:①接好端子,②更換啟動開關,③關閉液壓操縱桿,④ 更換K3, ⑤更換啟動馬達,⑥ 更換電源繼電器,
故障現象:發動機不能升降速
可能的原因:①油門驅動馬達連線異常,②是否處于怠速狀態,③油門馬達損壞,
排除辦法:①檢查油門驅動馬達線M+、M-是否與控制器連接,②退出怠速狀態,③更換油門馬達,
故障現象:發動機非人為操作突然熄火
可能的原因:①停車繼電器損壞,②油門旋扭接觸內部接觸不良或接插件松動, ③蓄電池繼電器控制端接線是否松動(鑰匙開關13號線至D1之間是否松動, ④停車電磁閥損壞,
排除辦法:①更換停車繼電器,②更換油門旋扭,緊固接插件,③緊固蓄電池繼電器控制端的端子,④更換新部件,
六挖掘機正流量挖掘油門機構校正手法
配置川崎控制器的正流量挖掘機轉速校正方法如下:
將標定器設置為“標定模式”,松開油門電機軟軸的固定螺母;
上電;
切換顯示器到油門標定輔助頁面;
將標定器右上方旋鈕順時針方向調節,待油門電機油門位置顯示為3.70V時,將油門擺桿拉至最大轉速位置,此時固定油門軟軸;
將標定器右上方旋鈕時針方向調到底,此時油門電機軟軸放松,啟動機器;
調節標定器,并通過顯示器查看油門反饋位置,當其值在3.70V左右時,發動機轉速應在2250轉左右;若發動機轉速小于2200轉,則調緊油門軟軸固定位置,使發動機轉速達到2200轉;反之則調松;
按標準的轉速標定方法標定H、S、L、AI的轉速;
關電重啟;
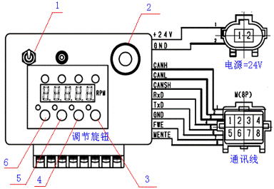
七挖掘機標定器使用手法

1、模式按鈕
2、轉速調節旋鈕
3、AI轉速確認鍵
4、L轉速確認鍵
5、S轉速確認鍵
6、H轉速確認鍵
1、將模式開關1搬到上方,將轉速調節旋鈕2左旋到底,上電;
2、調節轉速到需要轉速;
3、按下5、6、7、8模式鍵中任意一鍵,當前數值被作為此模式下最高轉速;
4、轉速在中間LED顯示框中;
5、關電;
6、將模式開關1搬到下放,上電;
7、標定完成。