日本五十鈴柴油發動機檢測與維修原理與技術資料

摩擦與磨損
日本五十鈴柴油發動機零件的磨損過程:(三個階段)

檢測與維修的判斷依據
標 準值
極 限值
超差
特定部位的螺栓或螺母群擰緊(松)順序
拆卸時:由外向里
裝配時:由里向外
由里向外: 機油冷卻器 (6A-20)

擰緊扭矩: 19 N·m
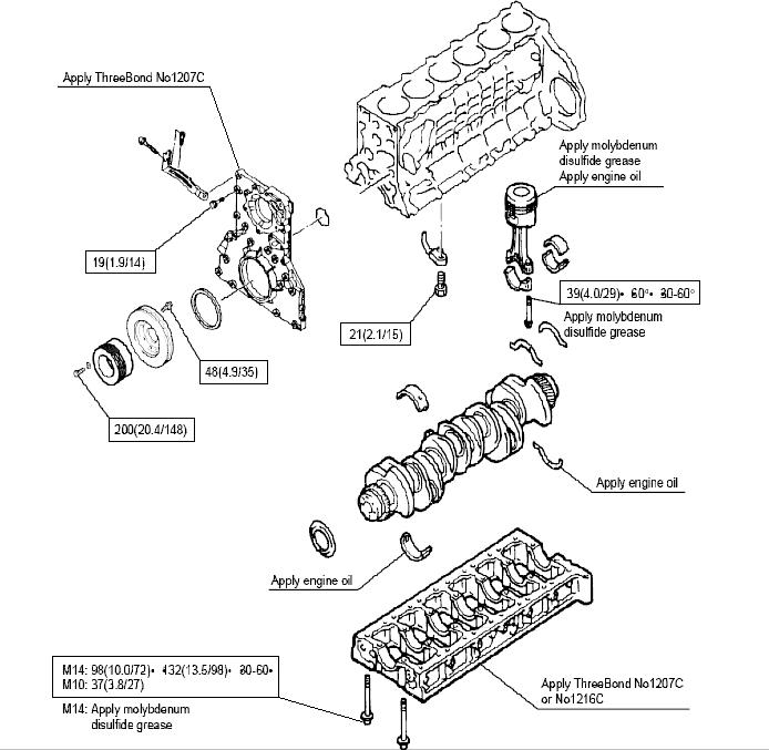
由里向外:氣缸蓋 (6A-41)

擰緊扭矩:M14(26個)分三步: 98 N·m, 147 N·m , 300 – 600;
M10 (2個):38 N·m
由里向外:飛輪殼 (6A-75)

擰緊扭矩(分三步): 78 N·m, 600 , 600 – 900。



剩余螺栓或螺母的標準擰緊扭矩數值
標準螺栓:N·m(kgf · m/Ib · ft)

凸緣螺栓 N·m(kgf · m/Ib · ft)

特定部位的螺栓或螺母群擰緊順序


螺栓最終擰緊—角度法

特定部位的螺栓或螺母群擰緊順序

VOLVO柴油發電機組電瓶接線圖,4jB1的發動機活塞環口怎么對,康眀斯活塞環怎么錯開,道依茨1013發動機怎樣調供油時間,
康明斯渦輪增壓器泄漏機油或燃油有哪些原因與維修解決技術方法技巧?,