
Perkins4016-61 TRG工業柴油發動機電子控制系統----發動機調速
重要安全事項
Perkins產品的操作、保養和修理中的大多數事故,都是由于不崔守基本安全規則或預防措施引起的。若能在事故發生前認識到各種潛在危險,事故往往是可以避免的。對各種潛在的危險,必須對工怍人員提出警告。還必須對工作人員進行培訓.使其掌握必要的技能和正常使用工具。
不正確的操作、涓滑、保養或修理產品是危險的,并會造成人身傷亡。
必須閱讀和理解產品的操作、潤滑、保養和修理的資料后,才可進行這些工作。
在本手冊中和在產品上都提供有安全預防措施和警告。如果對這些警告不予注意會給自己或他人造成人身傷亡。
識別危險用“安全警告符號”和“標志文字”,如“危險”、“警告”或“當心”。“警告”標貼如下所示
Perkins4016柴油發動機電子控制系統
Perkins發動機調速--測試和調整部分
Perkins發動機由Pandaros數字調詿器調節。為了調整Pandaros數字調速器 請參閱《專門說明書》REHS2806“Pandoras數字調速器”以了解更多信息。
Perkins4016柴油發動機燃油系統
概述(燃油系統)
供給燃燒用的燃油供入太多或不足都可能導致燃油系統出現問題。因此經常會錯誤地在燃油系統方面找原因而實際上故障是發生在發動機的某些其它零件上。查出故障的起因并不容易尤其是在排氣中有煙冒出時。排氣冒煙可能是由于出故障的噴油器造成的。
Perkins4016柴油發動機冒煙也可能是由于以下個或不只個原因造成的:
·良好燃燒所需空氣不足
·機油漏人燃燒室
·進排氣漏氣
·壓縮壓力不足
Perkins4016柴油發動機燃油系統檢查
將燃油輸送到發動機的部件如果有問題將會導致燃油壓力低。這會使發動機性能降低。
1檢查燃油箱中的燃油油位。查看燃油箱蓋。確保通氣孔暢通無碎唇。
2檢查燃油管路有無漏油。確保燃油管路沒有阻力或存在司題的彎折。
3安裝新的主燃油濾清器。
4檢查燃油回油油軌上的壓力閥。
Perkins4016柴油發動機氣缸的檢查
發動機承載時排氣歧管口的溫度可以用來指示噴油器的狀況。排氣岐管口的溫度低說明沒有燃油進^氣缸內。此情況可能表明噴油器有缺陷或控制系統故障。排氣歧管口溫度極高可能表明有過多燃油進入氣缸。溫度高也可能由有缺陷的噴油器引起的。
Perkins4016柴油發動機噴油器調整
注:調整三個或更多噴油器時則必須調整發動機上的所有噴油器。

標定Perkins4016柴油發動機噴油器

1拆卸搖臂組件。有關正確步驟請參閱《拆解和組裝》“搖臂和軸.拆卸”。
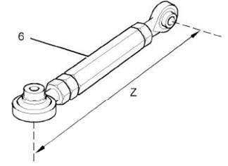
2如果安裝新的連桿遵照步驟2a至2.b以調整連桿長度。

a確保連桿(6)的尺寸(z)為84 mm (33 in)。尺寸(z)將是調整連桿長度之前的起始點。

b將隔套(a)、連桿(6)和六角頭螺栓(7)安裝至控制臂(3)。特連桿(6)和螺栓(10)連接至回位桿(9)。將緊固件上緊到8 N-m (71 ib in)的扭矩。
3將工具(A)安裝至搖臂箱(1)。擰緊工具(A)上的螺釘以壓縮噴油器彈簧(2)。壓縮噴油器彈簧,使控制臂(3)能夠自由移動。

4使用楔塊(4)將調速器設置到開度為50/"的位置(Y)。


5為了標定噴油器的無燃油位置,定位工具(B).便臺階抵在控制臂(3)上。調整連桿長度以便移動控制臂(3)。移動控制臂,使工具(B)上的無燃油刻線(5)與噴油器上的刻線對齊。
6對剩余噴油器重復步驟5。
7從調速器上拆卸楔塊(4)。

8移動調速器執行器以將噴油器A1和B1的控制臂(3)定位到標定位。將控制臂(3)的邊緣與噴油器A1和B1的刻線(11)對齊。

9檢查剩余噴油器的標定位置。確保所有控制臂(3)與噴油器上的刻線(11)對齊。
注:如果任何控制臂(3)低于噴油器上位匝(x)的刻線(11),移動調速器執行器并桿最低的噴油器用作標定點。
10重新檢查剩余噴油器的標定位置。確保所有控制臂(3)與噴油器上的刻線(11)對齊。如有需要,減小連桿(6)的長度以獲得正確位。絕不能增加連桿長度。
注:進行任何調整后擰緊連桿時確保球形接頭彼此保持90度夾角。這樣可允許最大自由移動量。
11松開工具(A)上的螺釘。從每個搖臂底座(1)拆卸工具(A)。
12.安裝搖臂組件。有關正確步驟,請參閱《拆解和組裝》“搖臂和軸一安裝”。設置噴油器上的正時銷
注:應在使氣門橋保持平衡并且氣門間隙得到調整的同時執行噴油器上的正時銷設置。更多信息請參閱《系統操作、測試和調整》,“氣門間隙一調整”。
注:正時銷是開始燃油噴射步驟的參照點。

按照表2所示的順序設置噴油器正時銷并調整氣門間隙。

1將活塞(A1)設置在壓縮沖程的上止點。搖臂上的(A8)氣門。
2設置發動機氣門間隙(A1)。請參閱《系統操作、測試和調整》“氣門間隙一調整”。

注:燃油噴射正時顯示在發動機系列號標牌上。正時窗口位于B排飛艷殼內。
3使用工具(c)逆時針旋轉曲軸,使溢流正時標記 (16)穿過正時指針(15)。按正常旋轉方向旋轉曲軸,使溢流正時標記(16)與正時指針(15)對齊。

4松開螺母(13)。
5使用工具(D1盡可能遠地逆時針旋轉調節器(12)。
6使用改錐向正時銷(14)施加輕微的壓力。使用工具(D)順時針旋轉調節器(12),使正時銷正好接人噴油器。確保正時銷能夠移出到正常位置。

7將工具(E)安裝至氣缸的搖臂箱。特工具(E)的柱塞放置在調節器(12)的頂面上。確保工具(E)的刻度盤設置為零。
注:確保工具( E1的柱塞有足夠的行程。足夠的行程應大于3 mm (0118 in)。
8使用工具(D)旋轉調節器(12),使工具(E)上的刻度盤指示3 mm (0118 in)的向下行程。
9擰緊螺母(13)。
10拆下工具(E)。
注:Perkins4016柴油發動機氣門間隙和噴油器正時根據溢流標記設置。
11使用工具(c)按正常旋轉方向旋轉曲軸使下個溢流正時標記(16)與正時指針(15)對齊。設置表2中所示的下個氣缸的發動機氣門間隙。請參閱《系統操作、測試和調整》,“氣門間隙.調整”。對表2中按順序列出的噴油器重復步驟4至10。
測試和設置Perkins4016柴油發動機噴油器

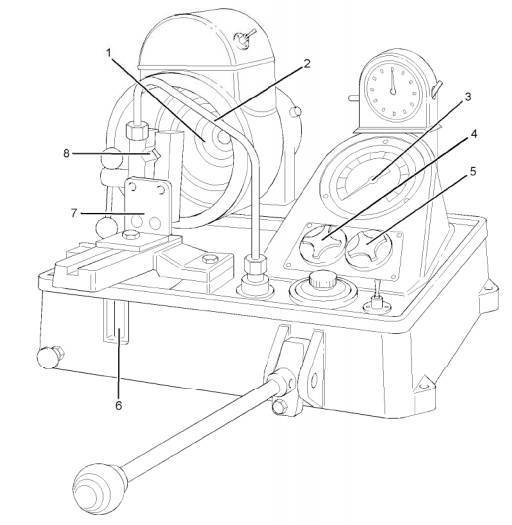
注:建議的測試機油為標定油液B或c(雷氏粘度38.盂度100' F/38。c)。不要使用柴油。
1確保工具(c)的儲油罐加注到正確油位。使用標定油液B或C(雷氏粘度38溫度100。F,38。c)。正確的油位是觀累孔高度的半。
2用適當的工具拆卸噴油器柱塞彈簧組件。提起彈簧定位銷上的彈簧板定位環。然后從芯件殼體取出柱塞彈簧組件。
3將噴油器安裝到卡箍內。定位銷應在頂部。
4潤滑供油裝置適配器上的油封。將適配器推過卡箍。將適配器推人殼體。并用滾花螺母鎖定到位。
注:應在測試10到15次后更換供油裝置適配器上的油封。

1將噴油器安裝到工具(A)或(B)中。將高壓管(2)連接到供油裝置(9)適配器上。
2調整傾斜支架(7)上的卡箍,以將噴油器尖端定位在噴霧室(1)內。
3擰緊卡箍和所有接頭。

注:燃油控制閥(4)閉合時,燃油控制閥捋噴油器與手泵隔離。開度限制能夠輸送到噴油器的測試油量。
注:隔振壓力表(5)閉臺時隔振壓力表使壓力表(3)與高壓油路隔離。這樣可消除振動對壓力表的影響。還可在執行霧化測試和振動測試時防止壓力表損壞。
注:如果壓力無法排放釋放隔振壓力表的閥。釋放隔振壓力表的閥使壓力能夠瑗慢下降。操作此控制裝置和燃油控制閥僅需要手動緊固的壓力。
注:用墊片調整噴油器的壓力設定時允許的容差為100 kPa (15 psi).
Perkins4016柴油發動機壓力設定值
1關閉隔振壓力表。
2打開控制閥。
3運行風扇。
4迅速操作手柄,使空氣從噴油器中排出。
5關閉控制閥并將壓力表設置為零。將手柄推A向下位置以打開閥 向下推手柄將使噴油器能夠工作。
6打開隔振壓力表。將手柄壓人向下位置。記錄壓力表上的最高壓力。噴油器噴頭將噴射燃油。此情況表明針閥處于開啟位置。如有必要通過調整墊片厚度將壓力調整到23400 kPa (3394 psi).
7打開隔振壓力表。特壓力升至約為22000 kPa (3200 psi)。釋放手柄,使壓力自然下降。檢查壓力表上從20700 kPa (3002 psi)到13800 kPa (2002 psin)的壓降速率。
注:如果噴油器噴嚆處于良好狀態,時間應在8到20秒之間。測試機油的溫度應為20。至21。C(68。至37。F1
Perkins4016柴油發動機底座緊密性測試
注:執行該測試時觀察并確認殼體、輸油塊和噴啃體的重疊壓力面沒有發生泄漏。
注:泄漏可能發生在外部。在噴嘴螺母螺紋上發現泄漏時 可能是內部泄漏。針閥的量疊部分出現過度泄漏時難以和此種泄漏區分。如果懷疑壓力面泄漏,不要通過擰緊噴嘴螺母使泄漏停止。拆卸噴喵組件并查看壓力面有無污垢跡象或查看表面狀況。清潔部件。部件必須處于良好狀態。重新組裝部件。再次開始測試。如果壓降時間仍然短表明針閥重疊部分出現過度泄漏。
注:如果燃油噴嘴阻塞,燃油壓力下降花費60秒以上的時間。燃油壓力下降表明噴嚆孔和針閥的間隙不充裕。這可能是由油層造成的油層使針閥卡在孔內。
該測試需要捋壓力保持在此噴油器壓力23400 kPa(3400 psi)低700 kPa (100 psi)。觀察噴嘴尖端是否泄漏。
1切斷風扇。
2打丌燃油控制閥。
3打開隔振壓力表。
4壓下手柄。檢查確認噴嘴的壓力為23400 kPa(3400 psi).
5擦干噴嘴尖端。
6壓下手柄。將燃油壓力升至比壓力23400 kPa (3400 psi)低700 kPa (100 psi)。將燃油壓力保持10秒。
7使壓力降至20700 kPa (3000 psi)并檢查是否泄漏。噴嘴尖端應干
注:不要使燃油沿著噴油器向下流。這會在測試期間造成錯誤印象。
Perkins4016柴油發動機噴霧形成和振動測試
1關閉隔振壓力表的閥。如果閥打開噴嘴將不能正常工作并且壓力表可能損壞。
2運行風扇。
3將燃油控制閥設置為最小流量。
4噴嘴群須完全噴射燃油以產生正規的噴霧形狀從而不形成滴漏或管流。每個噴啃孔的噴霧形狀應相同。
Perkins4016柴油發動機振動測試
關閉隔振壓力表。以最慢的速度撮作手柄.以排放噴啃。在這些條件下必須通過振動方式完全排出噴嘴的燃油。
Perkins4016柴油發動機噴霧形成
關閉隔振壓力表。迅速操作手柄。檢查確認每個噴嚆孔定期形成霧化燃油。形成的所有噴霧必須相等并且間隔正確。
Perkins4016柴油發動機釋放壓力
打開隔振壓力表閥。檢查確認噴油器在22800 kPa(3300 psi)和23800 kPa (3450 psi)的壓力之間開啟。關閉隔振壓力表閥。操作泵恥確保所有部件已正確安置井再次檢查噴油器壓力。
Perkins4016柴油發動機壓力表
從測試泵拆卸噴油器前,關閉隔振壓力表閥以防壓力表損壞,否則可能造成壓力突然下降。如果沒有立即安裝噴油器用遮蔽膠帶封住進口和泄漏孔。并在噴嘴組件上安裝保護蓋。
Perkins4016柴油發動機檢查回位桿
1檢查回位桿組件是否在回位桿銷上平穩作業。需要新部件時將新部件安裝到回位桿組件上。
2檢查回位桿彈簧的狀況。

3捋回位桿放曩到臺鉗(1)中。
4耨彈簧稱安裝到輸入操縱桿螺栓孔(2)中。
5將0.9 kg(2 lb)的最小負載施加到彈簧稱(3)上。該負載耨造成回位桿分離。
注:彈簧稱負載不得小于0 9 kg(2 lb)。如果彈簧稱負載小于09 kg(2lb),必須拆解回位桿組件。必須安裝新彈簧。
6檢查連桿是否損坪。如果連桿損壞安裝新連桿。不要試圖校叵連桿。