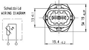
電噴柴油發動機冷卻液溫度傳感器(NTC)及針腳定義
向ECU提供電噴柴油發動機冷卻液/燃油溫度信號,敏感原件為負溫度系數的熱敏電阻式(NTC)。

與ECU連接 傳感器引腳
溫度傳感器特性
針腳:A58(信號),A41(地);測量范圍:-40℃~128℃;供電電壓:5V
冷卻液溫度傳感器的檢測
1、點火開關打到”OFF”,拔下傳感器接插件,將點火開關打到”ON”,測量傳感器接插件1腳與搭鐵間電壓是否在4.9V~5.1V范圍內。如果測量結果不正確,則應檢查電瓶是否供電正常,或出現了ECU輸出電壓不正常的狀況,或線束出現斷路或接觸不良等狀況。測量傳感器電阻,并記錄;
2、測量傳感器接插件2腳與搭鐵之間是否導通,如果不導通則應檢查線束是否斷路或接觸不良;
3、點火開關打到”OFF”,插上傳感器接插件,拔下ECU上的A端線束接插件,找到對應的A58與A41,測量它們之間的傳感器電阻,若測得結果與步驟1測得結果偏差較大,則說明線束出現故障的可能性較大。根據當時的溫度情況查找傳感器電阻溫度對照表,若實測的電阻值與理論值出入較大,則傳感器出故障的可能性較大!
冷卻水(燃油)溫度傳感器溫度與阻止的對應關系見下表:
|
溫度 t |
阻值R |
溫度 t |
阻值R |
溫度 t |
阻值R |
|
(℃) |
(kΩ) |
(℃) |
(kΩ) |
(℃) |
(kΩ) |
|
-40 |
40.49~50.14 |
25 |
1.94~2.17 |
90 |
0.24~0.25 |
|
-30 |
23.58~28.65 |
30 |
1.62~1.80 |
100 |
0.18~0.19 |
|
-20 |
14.10~16.83 |
40 |
1.12~1.23 |
110 |
0.14~0.15 |
|
-10 |
8.64~10.15 |
50 |
0.80~0.87 |
120 |
0.11~0.12 |
|
0 |
5.47~6.23 |
60 |
0.57~0.62 |
130 |
0.086~0.093 |
|
10 |
3.54~4.04 |
70 |
0.42~0.45 |
140 |
0.068~0.074 |
|
20 |
2.35~2.65 |
80 |
0.31~0.33 |