Perkins1204e-e441206e-e66柴油發動機控制線信息線束識別方法
Perkins1204e-e441206e-e66柴油發動機控制線信息線束識別方法
帕金斯確定所有的電線有11個堅實的顏色。這個在電線上的線路號碼是25毫米(1英寸)間距。表5列出了電線的顏色和顏色代碼。

例如,一個線識別f730-or上示意圖將顯示一個橙色線與回路數f730。f730-or標識功率供油壓力傳感器。
注:經常更換線束電線的規格和相同的顏色代碼。
注意:在下面的圖中,“通過”意味著即插即用”jxxx”意味著杰克。示意圖1204e-e44引擎
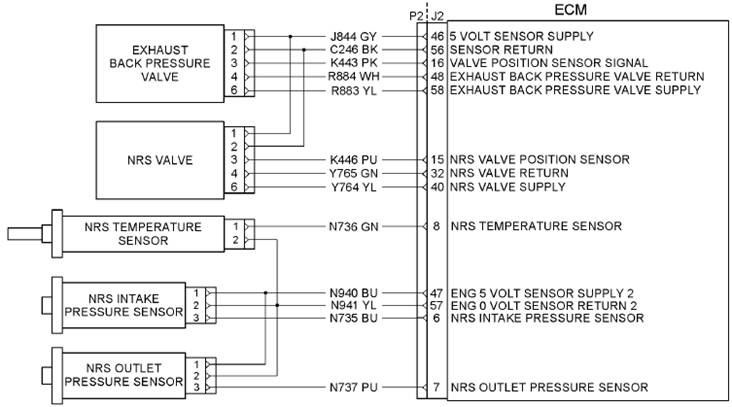
該1204e-e44引擎連接到J2連接器上的ECM示意圖

該1204e-e44引擎連接到J2連接器上的ECM示意圖
Perkins1206e-e66柴油發動機控制線信息線束識別方法

示意圖的NRS設備為1204e-e44和1206e-e66perkins

perkinsCEM

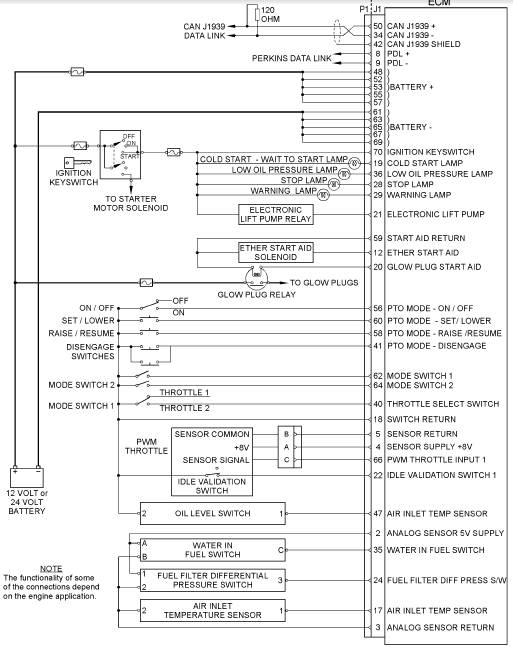
在清潔排放模塊示意圖(CEM)應用線路
