Perkins1204e-e441206e-e66柴油發動機數字油門位置電路故障診斷代碼

|
J1939 代碼 |
故障診斷代碼描述 |
故障原因分析 |
|
91-3 |
加速器踏板位置1 在正常電壓: |
電子控制模塊(電子控制單元)檢測以下條件: 該電子控制已供電3秒。 診斷代碼168-4不活躍。 沒有活動的678碼。 上診斷限的設置已超過一秒。 如果配備,警告燈將出現。診斷代碼將被記錄。 |
|
29-3 |
加速器踏板位置2 在正常電壓: | |
|
91-4 |
加速器踏板位置1 電壓低于正常: |
電子控制檢測下列條件: 該電子控制已供電3秒。 診斷代碼168-4不活躍。 沒有活動的678碼。 下限的設置已超過一秒。 如果配備,警告燈將出現。診斷代碼將被記錄。 |
|
29-4 |
加速器踏板位置2 電壓低于正常: | |
|
91-8 |
油門踏板位置 1:異常頻率, 脈沖寬度或周期 |
電子控制檢測下列條件: 數字節氣門位置傳感器的信號頻率等于0%或100% 超過2秒。 該電子控制已供電至少3秒。 診斷代碼91-3,91-4,29-3,29不活躍。 沒有活動的678碼。 電子控制設置節氣門位置為“0%”。 如果配備,警告燈將出現。診斷代碼將被記錄,如果 發動機正在運行。診斷代碼將不會被記錄在發動機起動。 |
|
29-8 |
油門踏板位置 2:異常頻率, 脈沖寬度或周期 | |
|
678-3 |
ECU8伏直流電源: 電壓高于正常值 |
電子控制檢測下列條件: 8VDC電源超過8.8VDC超過一秒。 該電子控制已供電超過3秒。 診斷代碼168-4不活躍。 細胞外基質將記錄診斷代碼,警告燈將照亮 此診斷代碼是活動的。 發動機可能被限制在低怠速。 |
|
678-4 |
ECU8伏直流電源: 電壓低于正常值 |
電子控制檢測下列條件: 8VDC電源小于7.2伏超過一秒。 該電子控制已供電超過3秒。 診斷代碼168-4不活躍。 細胞外基質將記錄診斷代碼,警告燈將照亮 此診斷代碼是活動的。 發動機可能被限制在低怠速。 一個積極的診斷代碼可能不會引起任何顯著的影響,對發動機的響應 如果電壓低于6.5伏。 |
此外,使用此程序,如果Perkins1204e-e441206e-e66柴油發動機數字油門位置傳感器被懷疑誤操作。
如果一個故障發生在主油門和一個二次節流閥安裝后,發動機將使用二次節流,直到故障維修。
如果故障發生在二次油門,發動機將使用主油門,直到故障是修復。
如果沒有功能油門,下面條件將發生:
引擎將默認為軟弱無力的速度。
如果Perkins1204e-e441206e-e66柴油發動機轉速高于軟弱無力的家速度,發動機將減速的跛行回家速度。
如果發動機轉速低于軟弱無力的家速度,發動機的速度將保持在當前速度。
引擎將保持在這個速度,而診斷代碼仍然有效。
從錯誤的節流閥的所有輸入被忽略了直到故障維修。
從修理過的節流閥的所有輸入將被忽略由ECM直到按鍵被循環。
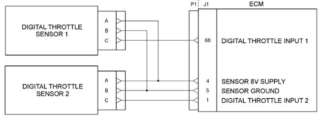
數字式節氣門位置傳感器數字油門位置傳感器是用來提供數字油門位置信號的電子控制。這個傳感器輸出是一個恒定頻率的信號隨油門位置變化的脈沖寬度。這輸出信號被稱為一個占空比或脈寬調制信號(脈寬調制)。這個輸出信號被表示為0和百分之100。
數字節氣門Perkins1204e-e441206e-e66柴油發動機位置傳感器最有可能直接連接到節氣門組件。數字節氣門位置傳感器無需調整。在低空閑和高的占空比的占空比空閑可以根據應用程序的不同而不同。這個%的占空比翻譯成一個節氣門位置3至百分之100。
數字節氣門位置傳感器由+8VDC從ECM。電源電壓來自的j1:4終端”一個“數字油門位置傳感器連接器。
如果應用程序使用ECM專用PTO功能,數字節氣門位置傳感器將當發動機在動力輸出模式忽視。
ECM是PTO模式如果開關輸出在。這種狀態可以用電子檢查服務工具。參考故障排除,“PTO開關電路測試”測試如果PTO正在使用。
